- Cốt lõi thẩm mỹ của công trình này nằm ở triết lý thiết kế "hướng nội" và tôn vinh thiên nhiên. Thay vì phô diễn những hình khối đặc, nặng nề ra bên ngoài, kiến trúc sư đã khéo léo tạo ra một "ốc đảo" bình yên, nơi mọi không gian đều được kết nối và mở ra với ánh sáng, cây xanh và mặt nước.
- Đây là một không gian sống được tạo ra để chữa lành, để tái tạo năng lượng, một khu nghỉ dưỡng tại gia đích thực.
1. Thông tin chung:
- Chủ đầu tư: A Hưng- Địa điểm : Củ Chi, Tp.HCM
- Công trình được thiết kế bởi Butecco
-
Diện tích lô đất: 400m2
-
Số tầng: 2 tầng
-
Số phòng ngủ: 4 phòng ngủ
Phong cách thiết kế: Hiện đại, tối giản, tối ưu ánh sáng và thông gió





Hình ảnh thiết kế kiến trúc
- Mặt bằng bố trí tầng 01
Mặt bằng bố trí tầng 01.jpg)
.jpg)


.jpg)
.jpg)
.jpg)
Hình ảnh thiết kế nội thất khu vực bếp
Phòng ngủ Ông Bà
Wc chung phòng ngủ Ông Bà
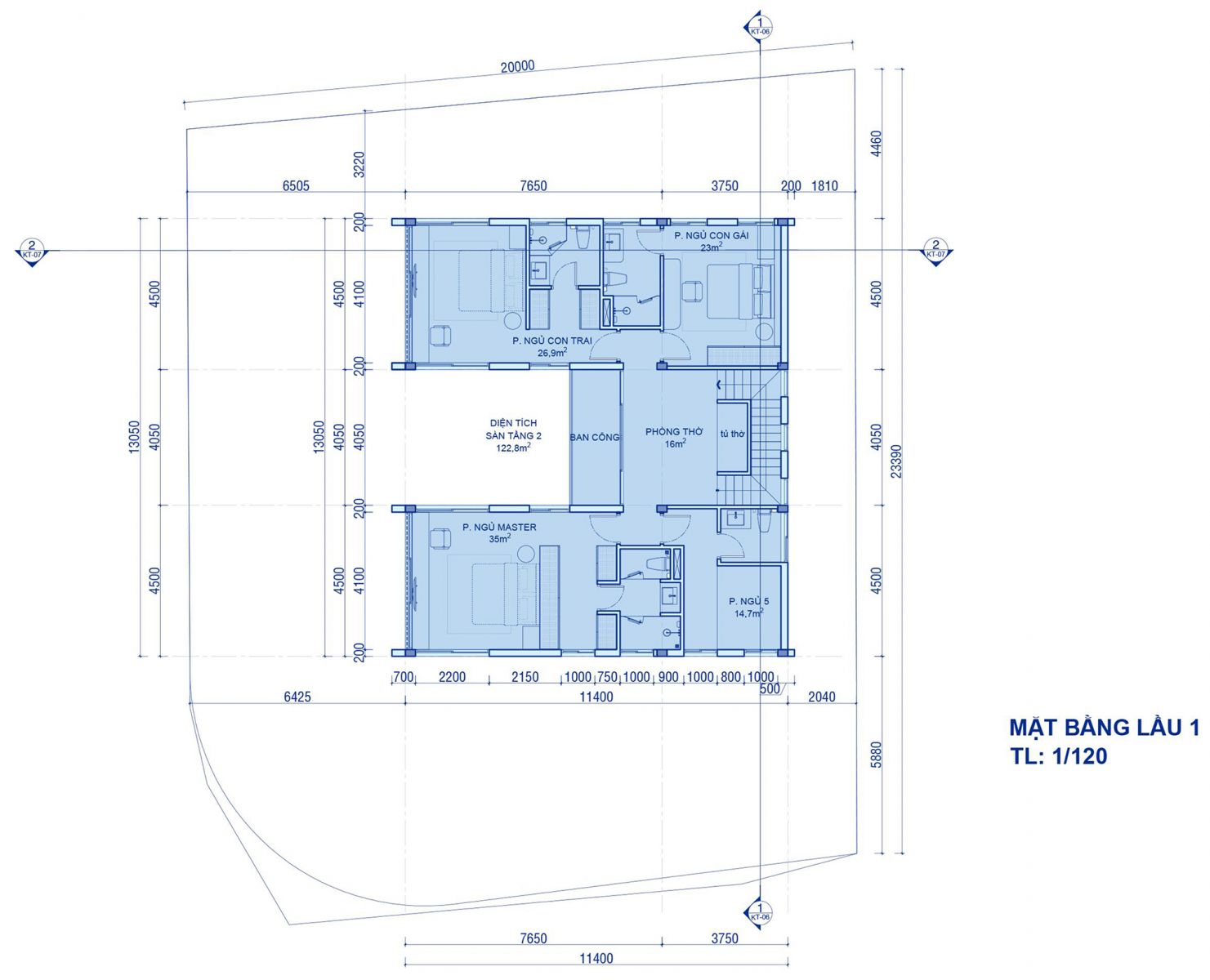
Sảnh thang lên lầu 01- Mặt bằng bố trí tầng 02
.jpg)
.jpg)



.jpg)


Thiết kế nội thất phòng ngủ Master
Góc phòng ngủ dành cho khách
